Приемо-сдаточные испытания силовых масляных трансформаторов ТМГ11-1600/10-У1 2БКТП-1600кВА
Объем приемо-сдаточных испытаний применим для всех силовых масляных (маслонаполненных) трансформаторов мощностью от 630 (кВА) до 1600 (кВА).включительно.
Все электрооборудование (электродвигатели, трансформаторы, выключатели, кабели и т.д.) вновь вводимое в эксплуатацию подвергается приемо-сдаточным испытаниям с целью контроля технического состояния.
Объем и нормы испытаний силовых трансформаторов указаны в ПУЭ (Глава 1.8) и РД 34.45-51.300-97 «Объем и нормы испытаний электрооборудования» (п.6).
Необходимо изучить паспорт или руководство по эксплуатации от заводов-изготовителей, особенно, это касается иностранного или нестандартного электрооборудования. В процессе эксплуатации необходимо руководствоваться ПТЭЭП (Приложение 3, п.2), но об эксплуатационных испытаниях трансформаторов
Внешний вид двухтрансформаторной комплектной трансформаторной подстанции 2БКТП 1600кВА напряжением 10/0,4 (кВ).

В 2БКТП установлены два трансформатора типа ТМГ11 мощностью 1600 (кВА).

Расшифровка ТМГ11-1600/10-У1:
В герметичных трансформаторах масло не сообщается с окружающим воздухом, в отличие от трансформаторов с расширителями. Герметичные трансформаторы до самой крышки заполнены маслом. За счет изменения объема гофрированных стенок бака, они выдерживают температурное расширение объема масла.

Основные технические данные трансформатора ТМГ11-1600/10-У1 (фото бирки).

Схема электроснабжения 2БКТП-1600кВА
схема УВН-10кВ

схема РУНН-0,4кВ 1 Секция

схема РУНН-0,4кВ 2 Секция

Компоновка 2БКТП-1600кВА
Испытание трансформатора ТМГ11-1600
Объем НТД:
Нормами следует руководствоваться при вводе электрооборудования в работу и в процессе его эксплуатации. Наряду с Нормами следует руководствоваться действующими руководящими документами, а также инструкциями заводов - изготовителей электрооборудования, если они не противоречат требованиям Норм.
1. Осмотр трансформатора
Осмотр целостности бака и радиаторов трансформатора, состояние проходных изоляторов ВН и НН (отсутствие на них сколов и трещин), уровень масла в баке и отсутствие его течи, наличие и целостность пломб на крышке, заливочном патрубке, маслоуказателе и пробке для слива масла.

Поплавок красного цвета в маслоуказателе должен быть не ниже отметки «Min» - это означает что уровень масла в норме.
Корпус трансформатора заземлен.
Заземлить нейтраль.
2. Определение условий включения трансформаторов без сушки
Условия включения трансформаторов без сушки указаны в инструкции завода-изготовителя. В инструкции сказано, что вновь вводимый в работу трансформатор ТМГ11 может быть включен без сушки при соответствии сопротивления изоляции обмоток ВН и НН.
Таким образом, получается, что трансформатор допускается включать без сушки, если сопротивление изоляции обмоток ВН и НН за время 1 минуту (R60) будет соответствовать нормам действующих нормативно-технических документов (их список я указал чуть выше по тексту).
3. Измерение сопротивления изоляции обмоток трансформатора
Для замера сопротивления изоляции обмоток необходим мегаомметр с напряжением 2500 (В). В парке приборов нашей электролаборатории имеются следующие типы мегаомметров:
минусом MIC-2500 является то, что на дальних подстанциях при больших количествах замеров у него совсем не вовремя может разрядиться аккумулятор, в остальном - только плюсы. Например, MIC-2500 может автоматически разряжать линию после замера, что очень удобно в плане электробезопасности.
Производить замер сопротивления изоляции необходимо при температуре обмоток трансформатора не ниже 10°С. Если температура ниже 10°С, то трансформатор следует нагреть в теплом помещении, электропечью или индукционным методом. Температуру обмоток можно определять по температуре верхних слоев масла, т.е. можно ориентироваться по жидкостному термометру.
Минимальные значения сопротивления изоляции, в зависимости от температуры обмоток приведены в таблице. Она подходит для всех масляных трансформаторов напряжением до 35 (кВ) включительно мощностью до 10 (МВА):

Испытуемый трансформатор ТМГ11 является двухобмоточным, поэтому замер сопротивления изоляции будем проводить по следующей схеме:
При проведении измерения все не испытуемые обмотки и бак трансформатора нужно заземлять.
Согласно вышеприведенной таблицы, при температуре 30°С сопротивление изоляции обмоток должно быть не менее 200 (МОм).

Сопротивление изоляции у обмоток ВН и НН трансформатора находится в норме (см. графу R60), причем даже с очень большим запасом.
Помимо сопротивления изоляции обмоток трансформатора (R60), я решил измерить его коэффициент абсорбции (R60/R15). По показаниям коэффициента абсорбции можно сделать выводы об увлажненности обмоток трансформатора и необходимости его сушки.
Коэффициент абсорбции .
Измеряется величина сопротивления изоляции обмотки за время 15 секунд (R15), затем измеряется сопротивление изоляции этой же обмотки, только за время 60 секунд (R60). После этого значение (R60) делится на значение (R15). Это не обязательный замер.
Коэффициенты абсорбции (R60/R15) обмоток ВН и НН испытываемого трансформатора ТМГ11 находятся в пределах нормы. Напомню, что минимальный уровень этого коэффициента для трансформаторов должен быть не ниже 1,3.
4. Измерение сопротивления обмоток постоянному току
Для проведения этого измерения в нашей ЭТЛ имеется прибор-микроомметр MMR-600 от Sonel, правда пару лет назад мне его пришлось перепрошить для проведения замеров сопротивления обмоток с гораздо большей индуктивностью, нежели это было изначально заложено в приборе.
Внешний вид MMR-600.

Замер сопротивления обмоток постоянному току необходимо проводить при установившейся температуре трансформатора на всех ответвлениях обмоток.
На крышке трансформатора расположен переключатель ответвлений обмоток типа ПТРЛ-10/125-6-96У1. Данное обозначение расшифровывается, как П - переключатель, Т - трехфазный, Р- тип переключателя (реечный), Л - лимбовый привод, 10 - класс напряжения.
Регулирование напряжения происходит в ручную по высокой стороне (ВН) в пределах от -5% до +5% от номинального напряжения 10 (кВ) без возбуждения (ПБВ), т.е. при обязательном отключении трансформатора от сети, причем как по высокой стороне, так и по низкой.

Всего имеется 5 ступеней переключения:
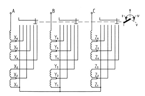
Схема соединения ответвлений обмоток (схема «звезда» без нуля):

На схеме изображено первое положение I (+5%). При переключении на второе и последующие положения сопротивление обмоток будет уменьшаться.

За отсчет температуры можно аналогично, как и при замере сопротивления изоляции, принимать температуру в верхних слоях масла по жидкостному термометру.
Полученное значение сопротивления не должно отличаться более, чем на 2% от полученных значений сопротивлений соседних фаз на одном ответвлении обмоток. Также полученные значения можно сравнить с заводскими (паспортными) величинами, но порой в паспорте эти данные отсутствуют.
Обмотка ВН:

В первом положении максимальная разница между сопротивлениями получилась 0,42%, во втором - 0,64%, в третьем - 0%, в четвертом - 1,39%, в пятом - 1,71% . Как видите, полученные показания соответствуют норме 2%.

Обмотка НН:

Разницы сопротивлений по низкой стороне (НН), как видите, нет.
5. Испытание трансформаторного масла
Согласно заводской инструкции, у трансформатора ТМГ11 запрещено нарушать его герметичность путем открывания сливных пробок на баке, кранов, патрубков на крышке, снятия изоляторов и маслоуказателя (не зря же на них установлены пломбы). Вообщем запрещено совершать любые действия, которые могут нарушить его уплотнения, т.е. нарушить герметичность бака.
В связи с этим отбор пробы трансформаторного масла на испытание у герметичных трансформаторов проводить запрещено.
6. Испытания повышенным напряжением
Согласно ПУЭ п.1.8.16. Маслонаполненные трансформаторы мощностью до 1,6 МВ·А испытываются по п. 1, 2, 4, 8, 9,11,12 ,
1. Определение условий включения трансформаторов. Следует производить в соответствии с инструкцией "Трансформаторы силовые. Транспортирование, разгрузка, хранение, монтаж и ввод в эксплуатацию" (РД 16.363-87).
2. Измерение характеристик изоляции. Допустимые значения сопротивления изоляции
, коэффициент абсорбции
, тангенс угла диэлектрических потерь и отношения
и
регламентируются инструкцией по п. 1.
4. Измерение сопротивления обмоток постоянному току. Производится на всех ответвлениях, если для этого не потребуется выемки сердечника. Сопротивление должно отличаться не более чем на 2% от сопротивления, полученного на таком же ответвлении других фаз, или от данных завода-изготовителя.
8. Проверка работы переключающего устройства и снятие круговой диаграммы. Снятие круговой диаграммы следует производить на всех положениях переключателя. Круговая диаграмма не должна отличаться от снятой на заводе-изготовителе. Проверку срабатывания переключающего устройства и давления контактов следует производить согласно заводским инструкциям.
9. Испытание бака с радиаторами гидравлическим давлением. Производится гидравлическим давлением столба масла, высота которого над уровнем заполненного расширителя принимается: для трубчатых и гладких баков 0,6 м; для баков волнистых, радиаторных или с охладителями 0,3 м.
Продолжительность испытания 3 ч при температуре масла не ниже +10°С. При испытании не должно наблюдаться течи масла.
11. Проверка состояния силикагеля. Индикаторный силикагель должен иметь равномерную голубую окраску зерен. Изменение цвета свидетельствует об увлажнении силикагеля.
12. Фазировка трансформаторов. Должно иметь место совпадение по фазам.
Проводить испытание повышенным напряжением обмоток по отношению к корпусу и другим его обмоткам у маслонаполненных трансформаторов не обязательно, т.е. для ТМГ11 мощностью 1600 (кВА) это испытание является не обязательным. Это же подтверждается инструкцией завода-изготовителя, где сказано, что проводить испытания повышенным напряжением без согласования с производителем запрещено.
На этом приемо-сдаточные испытания силового трансформатора ТМГ-11 можно считать завершенными. Если хоть один измеренный параметр не будет входить в норму, то такой трансформатор запрещено вводить в эксплуатацию.
После проведения испытаний трансформатора оформляется протокол, установленной и утвержденной формы. Напомню, что испытывать силовой трансформатор теоретически могут все, а вот право выдачи протоколов имеет только электролаборатория .
7. Включение трансформатора в сеть
После всех проведенных испытаний, трансформатор необходимо включить в сеть толчком на номинальное напряжение 10 (кВ) на время не менее 30 минут. Согласно ПТЭЭП (п.1.3.7) опробование считается проведенным, если трансформатор проработал непрерывно и без замечаний в течение 72 часов.
Указатель ПИН‑90М используют для проверки щитов 220/380 В, распределительных устройств, линий и цепей управления, на подстанциях и промышленных площадках.
Двухполюсные указатели напряжения до 1000 В, ПИН-90М,

Принцип действия указателя напряжения УВНУ-10 СЗ ТФ основан на преобразовании электрических сигналов в светозвуковые.
Указатель отличается яркой импульсной индикацией и мощным прерывистым звуковым сигналом. Элементы светозвуковой индикации указателя располагаются внутри затенителя, конструкция которого позволяет усилить светозвуковой сигнал за счет его направленного распространения.
Указатель УВНУ-10 СЗ ТФ обладает возможностью самопроверки работоспособности перед эксплуатацией. Надежная работа указателя достигается использованием в электрической схеме микросхем и комплектующих элементов ведущих мировых производителей.

После фазировки, при необходимости, можно проверить и чередование фаз.
Периодичность испытания силовых трансформаторов определяет технический руководитель организации или предприятия в зависимости от состояния и результатов диагностического контроля (ПТЭЭП, п.2.1.36).